I set ODMDATA=“gbe-uphy-config-0,hsstp-lane-map-3,nvhs-uphy-config-0,hsio-uphy-config-16”;
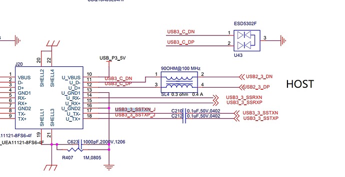
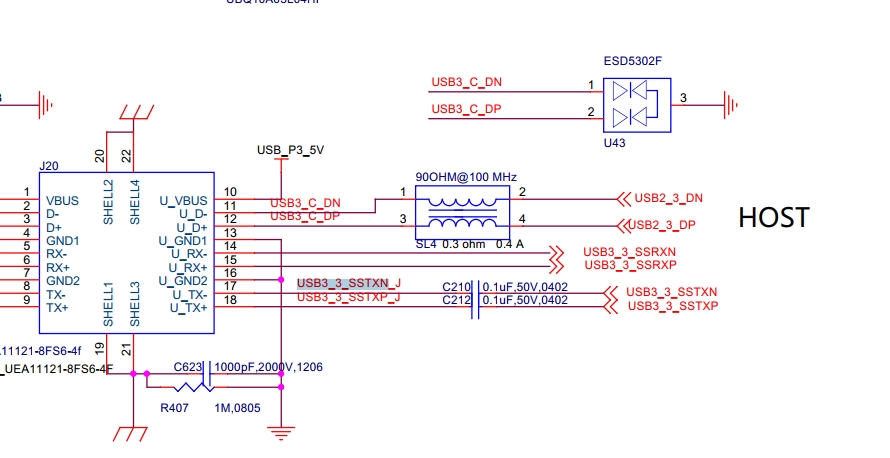
use USB3.2 Lane 2 which the port is map USB2-3。
my pinmux set :
usb_vbus_en0_pz1 {
nvidia,pins = “usb_vbus_en0_pz1”;
nvidia,function = “rsvd1”;
nvidia,pull = <TEGRA_PIN_PULL_UP>;
nvidia,tristate = <TEGRA_PIN_ENABLE>;
nvidia,enable-input = <TEGRA_PIN_ENABLE>;
nvidia,io-high-voltage = <TEGRA_PIN_ENABLE>;
nvidia,lpdr = <TEGRA_PIN_DISABLE>;
};
usb_vbus_en1_pz2 {
nvidia,pins = "usb_vbus_en1_pz2";
nvidia,function = "rsvd1";
nvidia,pull = <TEGRA_PIN_PULL_DOWN>;
nvidia,tristate = <TEGRA_PIN_ENABLE>;
nvidia,enable-input = <TEGRA_PIN_ENABLE>;
nvidia,io-high-voltage = <TEGRA_PIN_DISABLE>;
nvidia,lpdr = <TEGRA_PIN_DISABLE>;
};
xusb_padctl: xusb_padctl@3520000 {
status = “okay”;
pads {
usb2 {
lanes {
usb2-0 {
nvidia,function = “xusb”;
status = “okay”;
};
usb2-1 {
nvidia,function = “xusb”;
status = “okay”;
};
usb2-2 {
nvidia,function = “xusb”;
status = “okay”;
};
usb2-3 {
nvidia,function = “xusb”;
status = “okay”;
};
};
};
usb3 {
lanes {
usb3-0 {
nvidia,function = “xusb”;
status = “okay”;
};
usb3-1 {
nvidia,function = “xusb”;
status = “okay”;
};
usb3-2 {
nvidia,function = “xusb”;
status = “okay”;
};
};
};
};
ports {
usb2-0 {
mode = "otg";
usb-role-switch;
status = "disabled";
};
usb2-1 {
mode = "host";
status = "okay";
};
usb2-2 {
mode = "host";
status = "okay";
};
usb2-3 {
mode = "host";
status = "okay";
};
usb3-0 {
nvidia,usb2-companion = <1>;
status = "okay";
};
usb3-1 {
nvidia,usb2-companion = <0>;
status = "okay";
};
usb3-2 {
nvidia,usb2-companion = <3>;
status = "okay";
};
};
};
tegra_xudc: xudc@3550000 {
status = "okay";
phys = <&{/xusb_padctl@3520000/pads/usb2/lanes/usb2-0}>,
<&{/xusb_padctl@3520000/pads/usb3/lanes/usb3-1}>;
phy-names = "usb2-0", "usb3-1";
nvidia,xusb-padctl = <&xusb_padctl>;
nvidia,boost_cpu_freq = <1200>;
};
tegra_xhci: xhci@3610000 {
status = "okay";
phys = <&{/xusb_padctl@3520000/pads/usb2/lanes/usb2-0}>,
<&{/xusb_padctl@3520000/pads/usb2/lanes/usb2-1}>,
<&{/xusb_padctl@3520000/pads/usb2/lanes/usb2-2}>,
<&{/xusb_padctl@3520000/pads/usb2/lanes/usb2-3}>,
<&{/xusb_padctl@3520000/pads/usb3/lanes/usb3-0}>,
<&{/xusb_padctl@3520000/pads/usb3/lanes/usb3-1}>,
<&{/xusb_padctl@3520000/pads/usb3/lanes/usb3-2}>;
phy-names = "usb2-0", "usb2-1", "usb2-2", "usb2-3",
"usb3-0", "usb3-1", "usb3-2";
nvidia,xusb-padctl = <&xusb_padctl>;
};

system log,I need help, thanks
log.txt (82.8 KB)
Although the problem has been resolved,But I don’t know the principle。
I replaced the/boot/dtb/xx. dtb file, it doesn’t work,It only works when I redeploy the system(./flash xxxx mmcblk-p1)
This topic was automatically closed 14 days after the last reply. New replies are no longer allowed.

